Ihr zuverlässigster B2B-Lieferant auf dem Markt!

SKF  |  SKU: L.NKX 10 ZTN SKF -- NKX 10 ZTN

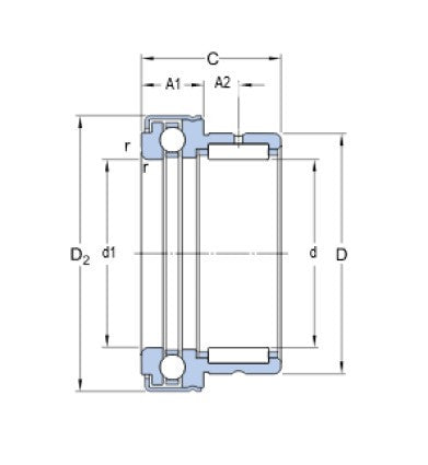
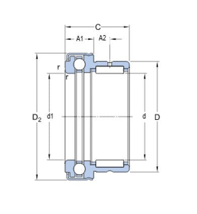
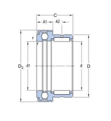
SKF NKX 10 ZTN Nadelkombinationslager


Variante
€38,68
inkl. MwSt. Versand wird beim Checkout berechnet.

Beschreibung

NKX 10 ZTN SKF Nadelkombinationslager

Parametry

Durchmesser D (mm):

25,2

Typ:

kombiniertes Nadellager

Kennzeichnung:

NKX 10 ZTN

DOTAZ PRODEJCI

SKF

SKF NKX 10 ZTN Nadelkombinationslager

€38,68

Variante

  • Standardoption
Produkt anzeigen