Beschreibung
Beschreibung
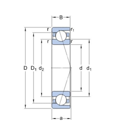
SKF 7211 ACDGA/P4A - Präzises nicht zerlegbares einreihiges Kugellager mit schrägem Kontakt, mit einem Kontaktwinkel von 25°, leichtem Käfig aus phenolischem Harz, verstärkt mit Textilgewebe, das durch die Außenringmontage geführt wird, universell paarbar mit leichter Vorspannung.
Lager können axiale Lasten nur in eine Richtung übertragen, daher sind sie normalerweise gegen das zweite Lager eingestellt.
Das Innenspiel von einreihigen Kugellagern mit schrägem Kontakt wird erst nach der Montage erreicht und hängt von der Einstellung der axialen Position zum zweiten Lager ab, das die axiale Führung in die entgegengesetzte Richtung gewährleistet.
Lager für universelle Paarung werden paarweise montiert und so hergestellt, dass bei der Montage für axiale Lasten in eine Richtung, d.h. im Tandem, oder für axiale Lasten in beide Richtungen, d.h. Rücken an Rücken in "O" oder Stirn an Stirn in "X", ein vorher festgelegtes Innenspiel oder eine Vorspannung oder eine gleichmäßige Lastverteilung ohne Verwendung von Ausgleichsscheiben erreicht wird.
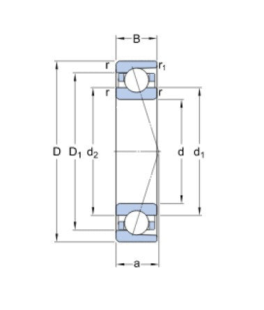
Lager können axiale Lasten nur in eine Richtung übertragen, daher sind sie normalerweise gegen das zweite Lager eingestellt.
Das Innenspiel von einreihigen Kugellagern mit schrägem Kontakt wird erst nach der Montage erreicht und hängt von der Einstellung der axialen Position zum zweiten Lager ab, das die axiale Führung in die entgegengesetzte Richtung gewährleistet.
Lager für universelle Paarung werden paarweise montiert und so hergestellt, dass bei der Montage für axiale Lasten in eine Richtung, d.h. im Tandem, oder für axiale Lasten in beide Richtungen, d.h. Rücken an Rücken in "O" oder Stirn an Stirn in "X", ein vorher festgelegtes Innenspiel oder eine Vorspannung oder eine gleichmäßige Lastverteilung ohne Verwendung von Ausgleichsscheiben erreicht wird.
Parametry
Parametry
Durchmesser D (mm):
55
Durchmesser D (mm):
100
Breite A (mm):
28,7
Breite B (mm):
21
Winkel (°):
25°
Kennzeichnung:
7211 ACDGA/P4A