Beschreibung
Beschreibung
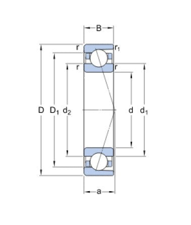
SKF 7207 ACDGA/P4A - präzises nicht zerlegbares einreihiges Kugellager mit schrägem Kontakt, mit einem Kontaktwinkel von 25°, leichtem Käfig aus phenolischem Harz, verstärkt mit Textilgewebe, geführt durch die äußere Ringbestückung, universell gepaarbar mit leichter Vorspannung.
Das Lager kann axiale Belastungen nur in einer Richtung übertragen, daher ist es normalerweise gegen das zweite Lager eingestellt.
Das interne Spiel von einreihigen Kugellagern mit schrägem Kontakt wird erst nach der Montage erreicht und hängt von der Einstellung der axialen Position gegenüber dem zweiten Lager ab, das die axiale Führung in die entgegengesetzte Richtung gewährleistet.
Lager für universelle Paarung werden paarweise montiert und werden so hergestellt, dass bei der Montage für axiale Belastung in einer Richtung, d.h. im Tandem, oder für axiale Belastung in beiden Richtungen, d.h. Rücken an Rücken in "O" oder Stirn an Stirn in "X", ein vorher festgelegtes internes Spiel oder eine Vorspannung oder eine gleichmäßige Lastverteilung ohne Verwendung von Ausgleichscheiben erreicht wird.
Das Lager kann axiale Belastungen nur in einer Richtung übertragen, daher ist es normalerweise gegen das zweite Lager eingestellt.
Das interne Spiel von einreihigen Kugellagern mit schrägem Kontakt wird erst nach der Montage erreicht und hängt von der Einstellung der axialen Position gegenüber dem zweiten Lager ab, das die axiale Führung in die entgegengesetzte Richtung gewährleistet.
Lager für universelle Paarung werden paarweise montiert und werden so hergestellt, dass bei der Montage für axiale Belastung in einer Richtung, d.h. im Tandem, oder für axiale Belastung in beiden Richtungen, d.h. Rücken an Rücken in "O" oder Stirn an Stirn in "X", ein vorher festgelegtes internes Spiel oder eine Vorspannung oder eine gleichmäßige Lastverteilung ohne Verwendung von Ausgleichscheiben erreicht wird.
Parametry
Parametry
Durchmesser D (mm):
72
Breite A (mm):
21,1
Breite B (mm):
17
Winkel (°):
25°
Kennzeichnung:
7207 ACDGA/P4A