Ihr zuverlässigster B2B-Lieferant auf dem Markt!

SKF  |  SKU: L.7020 CDGA P4 SKF -- 7020 CDGA/P4A

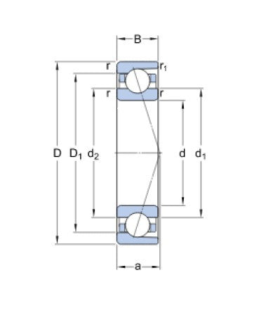
SKF 7020 CDGA/P4A Spindellager


Variante
€439,67
inkl. MwSt. Versand wird beim Checkout berechnet.

Beschreibung

SKF 7020 CDGA/P4A - präzises, nicht zerlegbares einreihiges Kugellager mit schrägem Kontakt, mit einem Kontaktwinkel von 15°, leichtem Käfig aus phenolischem Harz verstärkt mit textiler Gewebeführung im Außenring, universell paarbar mit leichter Vorspannung. Das Lager kann axiale Lasten nur in eine Richtung übertragen, daher ist es normalerweise gegen das zweite Lager eingestellt. Das Innenspiel von einreihigen Kugellagern mit schrägem Kontakt wird erst nach der Montage erreicht und hängt von der Einstellung der axialen Position gegenüber dem zweiten Lager ab, das die axiale Führung in die entgegengesetzte Richtung sichert. Lager für universelle Paarung werden paarweise montiert und so hergestellt, dass bei der Montage für axiale Lasten in eine Richtung, d.h. im Tandem, oder für axiale Lasten in beide Richtungen, d.h. Rücken an Rücken in "O" oder Stirn an Stirn in "X", ein vorher festgelegtes Innenmaß oder eine Vorspannung oder eine gleichmäßige Lastverteilung ohne Verwendung von Ausgleichscheiben erreicht wird.

Parametry

Durchmesser D (mm):

100

Durchmesser D (mm):

150

Breite A (mm):

28,8

Breite B (mm):

24

Winkel (°):

15°

Kennzeichnung:

7020 CDGA/P4A

DOTAZ PRODEJCI

SKF

SKF 7020 CDGA/P4A Spindellager

€439,67

Variante

  • Standardoption
Produkt anzeigen