Ihr zuverlässigster B2B-Lieferant auf dem Markt!

SKF  |  SKU: L.7013 ACDGA P4A SKF -- 7013 ACDGA/P4A

SKF 7013 ACDGA/P4A Spindellager


Variante
€274,85
inkl. MwSt. Versand wird beim Checkout berechnet.

Beschreibung

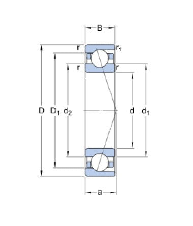
7013 ACDGA/P4A SKF Kugellager mit schrägem Kontakt

Parametry

Durchmesser D (mm):

65

Durchmesser D (mm):

100

Breite A (mm):

28,3

Breite B (mm):

18

Typ:

Spindellager

Winkel (°):

25°

Kennzeichnung:

7013 ACDGA/P4A

DOTAZ PRODEJCI

SKF

SKF 7013 ACDGA/P4A Spindellager

€274,85

Variante

  • Standardoption
Produkt anzeigen