Ihr zuverlässigster B2B-Lieferant auf dem Markt!

SKF  |  SKU: L.7012 ACDGA P4A SKF -- 7012 ACDGA/P4A

SKF 7012 ACDGA/P4A Spindellager


Variante
€240,58
inkl. MwSt. Versand wird beim Checkout berechnet.

Beschreibung

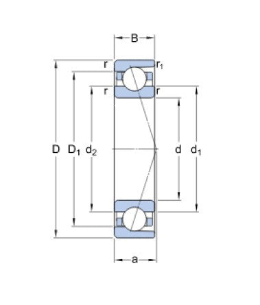
7012 ACDGA/P4A SKF Kugellager mit schrägem Kontakt

Parametry

Durchmesser D (mm):

60

Durchmesser D (mm):

95

Breite A (mm):

27,2

Breite B (mm):

18

Maximale Temperatur °C:

+100

Typ:

Spindellager

Winkel (°):

25°

Kennzeichnung:

7012 ACDGA/P4A

DOTAZ PRODEJCI

SKF

SKF 7012 ACDGA/P4A Spindellager

€240,58

Variante

  • Standardoption
Produkt anzeigen