Ihr zuverlässigster B2B-Lieferant auf dem Markt!

SKF  |  SKU: L.7008 ACDGA P4 SKF -- 7008 ACDGA/P4A

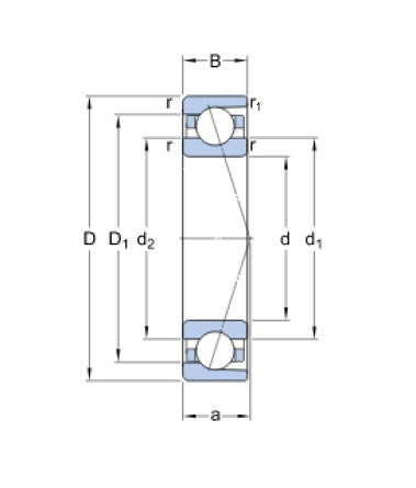
SKF 7008 ACDGA/P4A Spindellager


Variante
€171,41
inkl. MwSt. Versand wird beim Checkout berechnet.

Beschreibung

7008 ACDGA/P4A SKF Kugellager mit schrägverzahntem Kontakt

Parametry

Durchmesser D (mm):

68

Breite A (mm):

20,2

Breite B (mm):

15

Maximale Temperatur °C:

+100

Typ:

Spindellager

Winkel (°):

25°

Kennzeichnung:

7008 ACDGA/P4A

DOTAZ PRODEJCI

SKF

SKF 7008 ACDGA/P4A Spindellager

€171,41

Variante

  • Standardoption
Produkt anzeigen